喜迎中标“开门红”!近日,河北钢山杭萧建设工程有限公司(以下简称“钢山杭萧”)中标首都医科大学附属北京儿童医院保定医院项目。


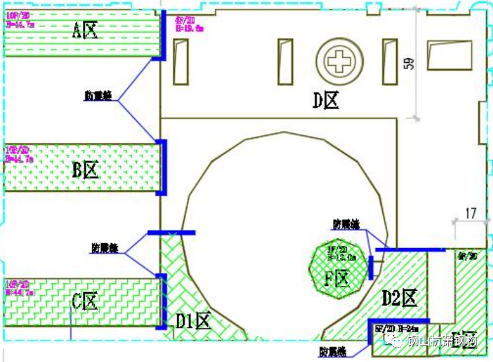
该项目位于河北省保定市东三环东侧,总建筑面积230700㎡,共划分为8个结构单元。钢山杭萧主要承建D区、E区、F区钢结构工程。其中D区为医疗综合楼采用减震技术,E区为科教行政楼采用转换桁架技术,F区为学术交流中心采用球形管桁架结构。用钢总量约8500吨;建筑最高高度为20.4m(4层)。
循道而行,功成事遂。近期连续中标是钢山杭萧上下一心、努力协作的成果,同时也是对钢山杭萧综合实力、技术水平和凝聚力的充分肯定,对钢山杭萧深耕“专业化”领域及扩展市场规模具有重要意义。未来,钢山杭萧将始终敬畏承诺,完美履约,专注全过程服务,推动高质量发展,为全力打造“成为世界一流的绿色建筑集成服务商”砥砺奋进!
